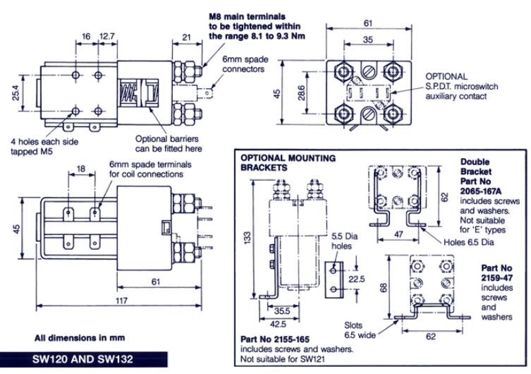
SW120系列直流接触器
产品介绍
Product introduction
SW120双极ONJOFF通常打开。
SW121双转换
SW122成对双极开关通常打开(fo电机反转)SW132双极开关通常关闭。
这些接触器是为直流负载设计的。
他们与银合金接触头的主要接触点有双重断裂,这些接触点是耐焊接的,耐磨的,具有良好的导电性。
特别版本有两个特殊版本SW121E和SW132E,是为电源故障转换而设计的。这些接触器装有经济页面。
电阻器和用于连续激励的最小线圈功率消耗。
交流电这些接触器不是极性敏感的,因此它们可以用来交换交流电。
紧凑的尺寸
这些接触器体积小巧,完全可以使用,并且有全套的备件可供使用。