QCC25C-100A/22直流接触器

您的位置 : 网站首页 > 产品中心 > 主触头两常开两常闭直流接触器系列 > QCC25C-100A/22直流接触器
QCC25C-100A/22
QCC25C-100A/22
  • QCC25C-100A/22
型号:QCC25C-100A/22直流接触器
  • 线圈额定电压(V)

    12-72V

  • 主触点额定电流(A)

    100A

联系电话:021-55560736
ZJ-50D直流接触器

产品介绍

Product introduction

产品用途
型号含义
简要技术数据
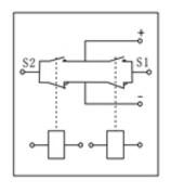
线路原理图
外形尺寸图
QCC25C-100A/22直流接触器
  • 邮  箱:cnhgq@foxmail.com 邮  编:201206
  • 厂  址:上海市曹路钦塘工业园钦塘东南1号 销售地址:上海浦东新区外高桥华申路150号2幢
  • © Copyright JOSEF Inc. All rights reserved.沪ICP备08020013号