ED402L应急脱离开关

您的位置 : 网站首页 > 产品中心 > 急停开关 > ED402L应急脱离开关
ED402L
ED402L
  • ED402L
型号:ED402L应急脱离开关
  • 额定电压(V)

    48V D.C.

  • 额定电流(A)

    400A

联系电话:021-55560736
ZJ-50D直流接触器

产品介绍

Product introduction

产品用途
ED402L系列开关设计用于在出现严重电气故障时提供断开电池或其他电源的快速方法。虽然开关主要用于电池供电的车辆,但它们也适用于静态电力系统。所有类型都能够在紧急情况下安全地破坏满载电池电流。
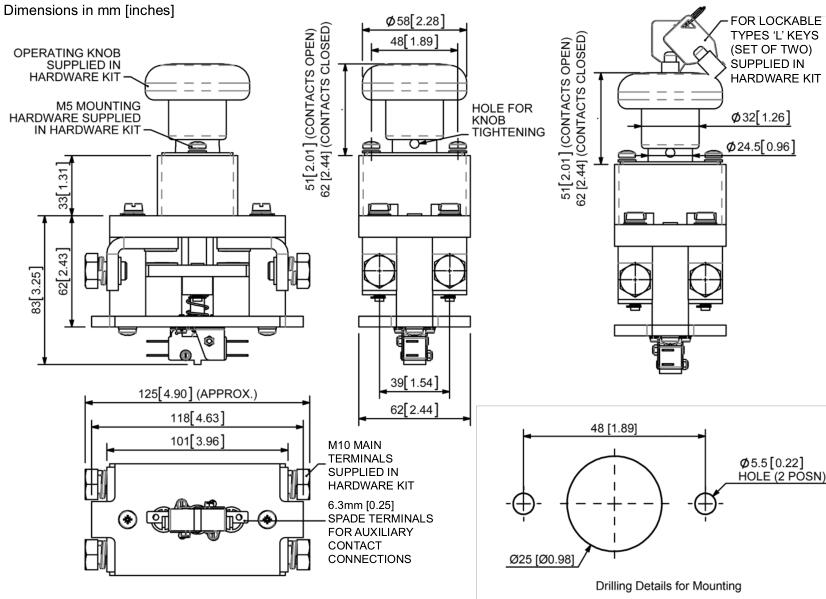
ED402L是一款手动操作装置,具有偏心弹簧机构,可为主触点的打开和关闭提供快速动作。ED402L易于安装(参见钻孔细节),并用附带的M5 posidrive安装螺丝固定。可锁定的版本具有一个按钮,该按钮是将旋钮从“关”位置移动到“开”位置所必需的。一旦进入“开”位置,钥匙可以被移除。此后,旋钮可以被按下到“Off”位置,在该位置它将自动锁定并保持锁定直到钥匙再次被用于解锁。ED402L可以使用正品的替换零件。

注意事项:

该开关用于在紧急情况下或作为空载隔离器使电流破裂。

请勿用作常规有载开关设备。

技术数据
线路原理图
外形尺寸图
ED402L应急脱离开关
  • 邮  箱:cnhgq@foxmail.com 邮  编:201206
  • 厂  址:上海市曹路钦塘工业园钦塘东南1号 销售地址:上海浦东新区外高桥华申路150号2幢
  • © Copyright JOSEF Inc. All rights reserved.沪ICP备08020013号